You need a need a
51750 control box for EPL "rotary motor" accessories such as the coloured light signal, and that is also probably going to be part of your issue.
The 51755 control box is for older non-EPL "solenoid coil" accessories and will not work for EPL accessories without some additional bits.
Basically, the EPL point/signal motors work by reversing the polarity of the control voltage sent to them over a
two wire connection. The 51750 box has internal diodes which handle this. The 51755 box is a momentary contact type, which sends a pulse of AC through to one other the other solenoid in the accessory over a
three wire connection. It is possible to fit diodes externally to a 51755 and then use a
two wire connection.
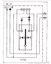
The diagram (from the 51750 instructions) below shows the wiring inside a 51750 control box. It is basically a 51755 box with diodes added and an extra output terminal for the EPL accessory. You can add the diodes externally to the 51755 box to get the same result. Small, low current (1 Amp rated) silicon diodes will be fine for this.
