WANTED Aristocraft / Crest / Revolution PWC to linear converter 57091 (not the smaller low amp one 57090)

beavercreek

Travel, Art, Theatre, Music, Photography, Trains
Country flag
I am looking for one Aristocraft /Crest /Revolution 57091 (not the smaller 57090) PWC to linear converter.

Converter2.jpg

Converter1 (1).jpg
 
Thank you Greg, yes it is hard to find them but it is most gratifying to know that you have five, I am sure you are very proud of them.
It is also good to know that you would make one..... and I am aware of the circuit diagram for making one but not sure that that has helped me in my initial search though....
but your input is most appreciated.
 
Last edited:
Not proud of them, figured when Aristo and Crest were going down the tubes, I would buy up stuff that might become unavailable in the future.

So if you want me to measure the inductor, then I think you could easily and cheaply build one for yourself... that actually was the point of posting (and if you are really stuck I would send you one for what I paid for it and postage, but probably that would be more than you wanted to spend, I think the shipping would exceed the cost of the unit).

If you haven't figured it out, I put myself in a corner by indicating that I had an excess of them, thus I would be honor bound to offer one to you... which I have done.

Greg
 
I have already asked JK at Revolution if he has one or if they will be back in production. I am awaiting his reply.
If he does not and I cannot find one and would like to have one prebuilt then your offer would be very kind and I may take you up on it .... postage should be about $14.
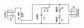
If I end up making one, the induction value is 100uH.

PWM-Linear-converter.gif

pwc-linear1.jpg
 
Not to brag either, but I still have a couple of them left as well.
I bought them to go with a pwm track-side R/C I was making.
They work OK but tended to make the control voltage a bit to ON & OFF for my liking. I found the H0 DCC sound equipped loco were much smoother in operation without them.
However I am willing to part with them as listed on the RCS website. https://www.rcs-rc.com/pages/trackside-r/c
Sorry about the cost but I got very little trade discount from Navin. Be advised they will cost a lot of money to post to the UK.
 
Have made up several of these quite recently, be no problem to make another one...………...

View attachment 241172

Hi John, that looks to be the one... That would be very kind of you.
Are the parts to the specification of the circuit diagram in my earlier post on the thread.
As the converter that I am after is not for onboard locos but to go with a trackside Revolution 'Super Base Station', it will have to be able to handle the Max 15 Amps and 24V output of the base station.
The inductor on yours does look smaller but that maybe due to different make etc.
The spec for the high amp inductor is 100uH
 
Just checked, have one 15 Amp 100uH inductor left, I also changed the 1K resistor to a 1 Watt, just waiting for a delivery of prototype boards, due in the next few days.

Probably be able to knock one up early part of next week...……………..

That sounds great John...what cost just so that I make sure the funds are there!
The resistor on the Crest/revolution 57091 and also the 'home built' one in the photo and in the circuit diagram is 1K
 
Fantastic John...many thanks
 
I have not seen the circuit of the track-side unit, but if drawing a number of amps, I can quite believe there could be a substantial amount of (what the circuit see's) as 'noise'?? :think:
 
so that is a typical .1 mfd cap, whose resonant frequency is about 18 MHz....

So that capacitor filters the switching noise from the PWM circuit, which is running normally just a bit ultrasonic, like 27 MHz.... below is an impedance chart (the lower left green line)

rqEh5.png


So, I guess I see why the resistor got hot, it's almost shorting out the PWM... I wonder how much power is wasted. I would have thought that the inductor would have done the heavy lifting, since it's first in line, along with the "nonpolar capacitor" after it... but there it is... good call in increasing the resistor wattage.. (although the 1k resistor should have been way higher in impedance than the load applied to this unit, the current through the resistor, when the capacitor is a "short" is 24 milliamperes... (assuming 24v input) so the wattage in the worst case would be 0.576 watts, way over what you want in a 1/4 watt resistor... rule of thumb in resistors is run half the rated wattage, so for 0.576 watts you would go to a 1 or 1.5 watt resistor...

So it all hangs together, but this filter seems not well designed now that I look at it...
 
"..just a bit ultrasonic"
?27MHz?

Either Greg has caught on to 'irony', he has very good top-end hearing, or missed the 'K' key, I reckon? :think:
 
OK, so even at that frequency the cap is about 58 ohms worst case, so you add that to the 1k and you have 1058 ohms, which is about 0.023 amps, which figures to about 0.552 watts, again clearly too much for a 1/4 watt resistor. I'm surprised more don't overheat, but that's also worst case, based on 100% duty cycle. If you guess about 50% duty cycle (half speed on the loco) then you are about 1/4 watt into a 1/4 watt resistor, twice what you should do...

I wonder why they did not figure this, maybe they think a 1/4 watt resistor can actually dissipate 1/4 watt... that is a mistake.

Greg
 
Looking good John....15 amp would be good as the output of the PWC Revo super basestation is max 15 amps
 
Last edited:
Sort of just like the words say on the board:
101400_ea70b3e993b7fa8e23533cdd5f2dceeb.jpg


Convert PWC (Aristo-Craft insisted on calling PWM (Pulse Width Modulation) Pulse Width Control...) to smoothed out DC, which for some reason is called "linear" in our hobby.

Basically all modern motor drives, and many "DC" power packs output PWM (pulsed power) instead of pure constant DC.... unfortunately this pulsing, while giving excellent motor control, can make some electronics, notably sound units, go nuts... they usually interpret the pulses as full speed all the time.

Solution, "smooth out" the pulses, i.e. "average" the voltage into something closer to smoothly varying DC, as opposed to full voltage pulses varying in duration.

Greg
 
Back
Top Bottom